Flexitherm 超高温杀菌机

Flexitherm™ 是一种啤酒自动巴氏杀菌机。它采用的巴氏杀菌方法可消除微生物腐败,达到合适的巴氏杀菌温度,并在可变流量范围内保持啤酒和其他碳酸饮料的质量和保质期。这种巴氏杀菌方法专门用于对即将送入无菌灌装系统的啤酒进行最佳、高效的热处理。

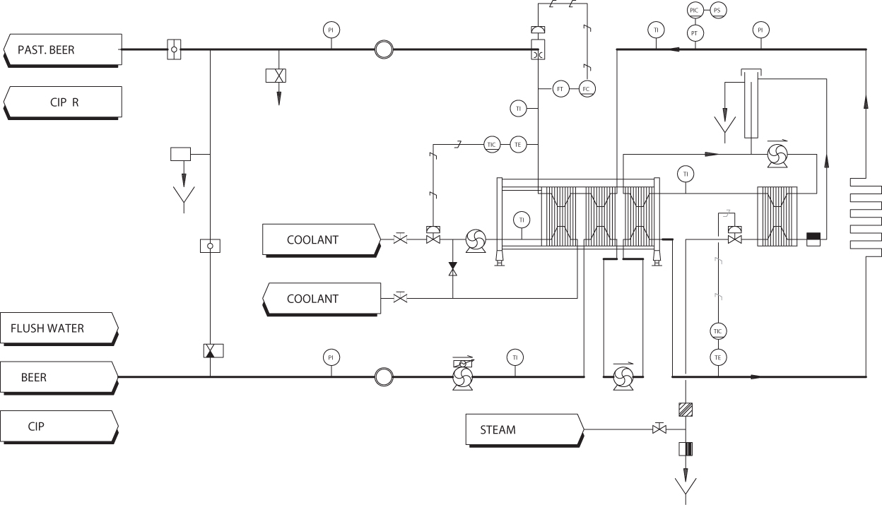
Flexitherm - Plate heat exchanger for beer pasteurization

啤酒巴氏杀菌解决方案 - 消除微生物,保持啤酒品质

  • 可靠的巴氏杀菌装置 (PU) 控制系统可实现稳定的产品处理(持续运行期间,PU 变化在目标水平 +/- 10% 以内
  • 由于模块是独立的,预先组装好,并带有自动控制功能,因此现场工作最少
  • 该模块专为 CIP 而设计,卫生、紧凑,维护要求低,可最大限度地减少停机时间
  • 有效能量回收率高达 95%
  • 最先进的自动控制系统,具有不断改进控制的工艺特点

使用 Flexitherm™ 模块对啤酒进行巴氏杀菌,可确保 PHE 中的滞留体积小,从而将啤酒损失降至最低。低水耗和低能耗进一步节省了啤酒,而无胶夹式垫圈则节省了时间和资源。结构合理的 PLC 软件可轻松集成到自动化控制系统中。

.

如何使用 Flexitherm 对啤酒进行巴氏杀菌

用于啤酒加压的阿法拉伐板式换热器  

Flexitherm板式换热器(PHE)啤酒巴氏杀菌系统用于消除或减少产品中的活微生物数量,旨在提高微生物稳定性并延长产品保质期。通过温度与保温时间的组合实现所需热处理。

在板式换热器中,未经巴氏杀菌的低温啤酒将分两步加热至杀菌温度。

根据选定配置,流经Flexitherm模块的流量可连续调节,以适应灌装机需求的波动。该模块采用PLC系统全自动化控制设备运行。

Process chart for pasteurization of beer

满意的客户

 

据 Jackie O's 的总裁 Art Oestrike 说:"在橡木桶中陈酿啤酒是一门善变的生意。你把这种又大又漂亮的帝国黑啤或大麦酒扔进刚刚倒掉的波本酒桶,然后让它在我们的仓库里静置。包装一年半后,它们就开始变酸。它们的味道不好"。

观看视频,了解 Flexitherm Mini 如何 “颠覆橡木桶陈酿计划”。

 

阅读完整内容

. .

Flexitherm™

Flexitherm™是久经考验的高产量啤酒厂工艺概念。 它可恢复高达 95%的热量,从而降低运营成本*。

规格

大约尺寸和重量取决于产量范围:

对于产量 = 40hl/h,
尺寸 (长x宽x高): 3.2m x 2.0m x 2.2m

对于产量 = 400hl/h,
尺寸 (长x宽x高): 4.0m x 3.6m x 2.6m

*与传统的隧道式巴氏灭菌器相比,它将总耗水量提高了 0.42hl/h,并将能耗比提高了 5MJ/h

Flexitherm™Mini

Flexitherm™Mini 专为精酿啤酒设计,可让您在同一设备中保存多种配方,为不同的精酿啤酒提供独立设置。

规格

容量: 5-50 hl/h (3 个不同模块)
尺寸(长 x 宽 x 高):4,000 x 2,000 x 2,000 mm

.

关于啤酒巴氏杀菌的常见问题

Alfa Laval Flexitherm™ 能解决我的产品保质期和/或稳定性问题吗?

是的,如果问题与啤酒中活微生物的存在有关,并且污染发生在上游。 例如,如果稳定性问题与其他问题相关,或在灌装线或包装区域下游发生,Flexitherm 将无法解决问题。 如果像德国小麦啤酒那样存在胶体稳定性问题,那么工艺温度必须提高到标准Flexitherm可以处理的水平以上。 如果是这种情况,请联系Alfa Laval Brewery Systems,以便我们审查并推荐解决方案。

可以用热水代替蒸汽作为加热介质吗?

Alfa Laval Flexitherm 是蒸汽的标准配置。 如果没有蒸汽可用,可以修改Flexitherm(需要额外费用),并使用热水运行。 热水温度必须至少为90°C才能对Flexitherm内部进行消毒。

Alfa Laval Flexitherm 能解决我的污染问题吗?

视情况而定。 如果污染发生在上游,则可以,如果污染发生在 Flexitherm 之后,例如在灌装线、最终包装线或接收罐处,则不可以。

Flexitherm 的典型调试时间是多少?

典型的调试时间因缓冲罐的使用而异。 在没有缓冲罐和布线的情况下调试Flexitherm通常需要大约五天的时间。 当Flexitherm在填料前面有缓冲罐和布线时,现场大约需要10天时间。

如果我的填料需要一定的压力与/或流量,Flexitherm 如何工作?

标准的Flexitherm巴氏杀菌机配备缓冲罐和布线,以确保缓冲罐后的压力恒定 - 无论流量如何。 这确保了填料的要求得到满足。

我可以用Flexitherm对牛奶进行巴氏杀菌吗?

不可以。Alfa Laval Flexitherm 不适用于牛奶巴氏杀菌。 有关此应用,请联系我们的全球联盟合作伙伴利乐包装。

什么时候有电气图纸?

电气图纸通常在您下订单后约四周准备好并可供您使用。

为什么允许的最大脱气水温设置为15°C?

脱气水温应尽可能接近啤酒的温度。 如果温度太高,当切换回啤酒时,系统的温度变化将太大。

我可以在 Flexitherm 上应用我特定的原位清洗 (CIP) 配方吗?我可以使用碱液和酸液吗?

Flexitherm 可以容忍任何标准的啤酒厂 CIP 制度。 这包括腐蚀性和酸性清洗。 与产品接触的所有润湿部件均由不锈钢制成,所有垫片均由EPDM制成。 为了100%确定,如果您使用氧化或氯基清洁方案,Alfa Laval建议对设备内部进行目视检查,以确定任何腐蚀风险。

我听说其他啤酒巴氏杀菌供应商正在向他们的啤酒巴氏杀菌机引入空气和二氧化碳的无菌气体过滤器。阿法拉伐也会做同样的事情吗?

阿法拉伐了解到,其他啤酒巴氏杀菌供应商正在为工艺酿酒商提供无菌气体过滤器。 但是,出于价格和简单性的考虑,我们决定为Flexitherm Mini删除此选项。 根据经验,我们知道无菌气体过滤器不是防止污染的关键功能。 无菌气体过滤器是我们核心系列的标准选择,我们还可根据要求提供 Alfa Laval Flexitherm Mini 的无菌气体过滤器。.

我可以在离心机之后安装 Flexitherm 吗?

不可以。 Flexitherm 要求饲料啤酒保持恒定并保持在所需的最低压力下,以确保巴氏杀菌过程中系统内的压力始终保持较高。 如果系统中没有统一的高压,系统将出现空化问题,压力下降和二氧化碳泄漏。

.

服务

食品系统服务

阿法拉伐食品系统服务通过最大限度地提高工艺性能,帮助您扩展食品系统的性能。这使您能够:

  • 持续改进运营,保持竞争优势
  • 专注于正常运行时间、优化和可用性
  • 在食品系统的整个生命周期内实现投资回报最大化

进一步了解我们为食品系统提供的服务

service men with ipad